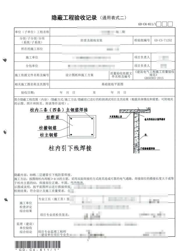
当前位置: 首页资料范例房建资料正文 建筑电气子分部防雷工程组卷档案资料 格式:pdf <部分内容截图> 下载地址: 隐藏内容此处内容需要权限查看普通20积分会员免费登录后购买 本文原件 此处内容已经被作者隐藏,请输入验证码查看内容验证码:请关注本站微信公众号,回复“验证码”,获取验证码。在微信里搜索“工程常用资料”或者“gczlk88”或者微信扫描右侧二维码都可以关注本站微信公众号。 须知 1资料收集于互联网,站内视频、图文、文字仅供交流学习使用。如侵犯到您的合法权益,请联系本站处理。 在手机上访问本站时,仅可以浏览内容,如需下载资料,请在电脑浏览器输入网址:sosquan.cn进行访问下载,资料默认解压密码为1 2资料众多无法保证资料其适用性,资料实例用于参考学习,学会变通,万变不离其宗,省时省力,助你快速提升! 3由于本站收录资料众多,有个别资料可能出现重复,请悉知。 4如有问题及时联系QQ:806096373微信号:gczl580处理 电气组卷资料 收藏 链接